電話:0769-85189162 26980325 傳真:0769-81610656 郵箱:leesun@leesuncn.com sales@leesuncn.com 地址:廣東省東莞市南城區第一國際百安中心B座303室
此機適用于連結、變速、切離、寸動、正逆轉、緩沖起動、高頻運轉、動力切換、超載保護等.
標準電壓DC24V
型號
FCD-2-006
FCD-2-015
FCD-2-025
FCD-2-050
FCD-2-100
FCD-2-200
FCD-2-400
靜摩擦轉距 [kg-m](N-m)
0.55(5.5)
1.1(11)
2.2(22)
4.5(45)
9(90)
17.5(175)
35(350)
動摩擦轉距 [kg-m](N-m)
0.5(5.0)
1.0(10)
2.0(20)
4(40)
8(80)
16(160)
32(320)
功率 [24VDC](W)at20℃
11
15
20
25
35
45
60
最高轉速(r/min)
1800
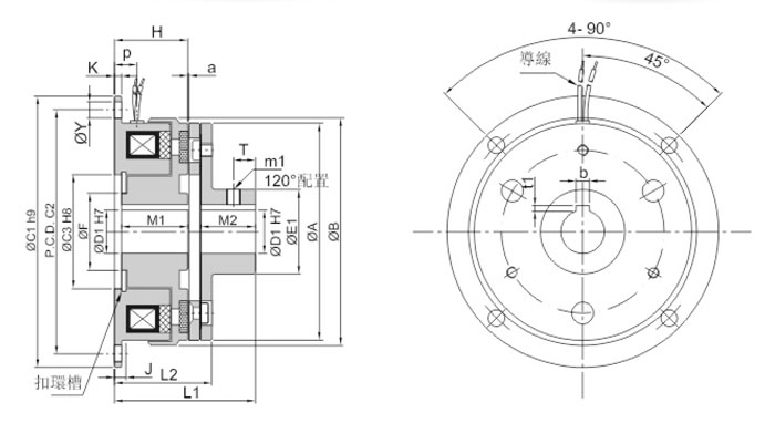
外型尺寸
A
63
80
100
125
160
200
250
B
67
85
106
133
169
211
264
C1
150
190
230
290
C2
72
90
112
137
175
215
270
C3
42
52
62
D1
12
30
40
50
D2
E
26
31
41
49
65
83
105
F
23
28.5
77
H
24
26.5
33.5
37.5
44
51
K
2
2.5
3
3.5
4
5
6
L1
43
61
70.5
84.5
100.5
118
L2
31.5
46.5
53.5
64.5
75
M1
22
27
34
47
M2
38
54
P
7.5
8
9
11.5
13
15.5
T
10
18
m
2-M4
2-M5
2-M6
2-M8
2-M10
a
0.2(±0.05)
0.3(-0.1)
0.5(-0.2)
b
7
t
1.8
2.3
3.3
3.8
重量( kg )
0.46
0.83
1.5
2.76
5.1
9.3
17
LTC-002/LTC-002B(簡版)張力控制器可通過手動實時調節
LS-XXBXXL-XXN系列懸臂式張力檢測器可用于對紙張、薄膜
伺服電機直線驅動器LD系列使用無刷直流伺服電機驅動,對
伺服電機中間導向糾偏一體機 使用無刷直流伺服電機驅動
用途: 保持、連接、切離、緩動啟動、張力控制、扭力限
此機適用于連結、變速、切離、寸動、正逆轉、緩沖起動
掃描進入淘寶店
掃描進入阿里店